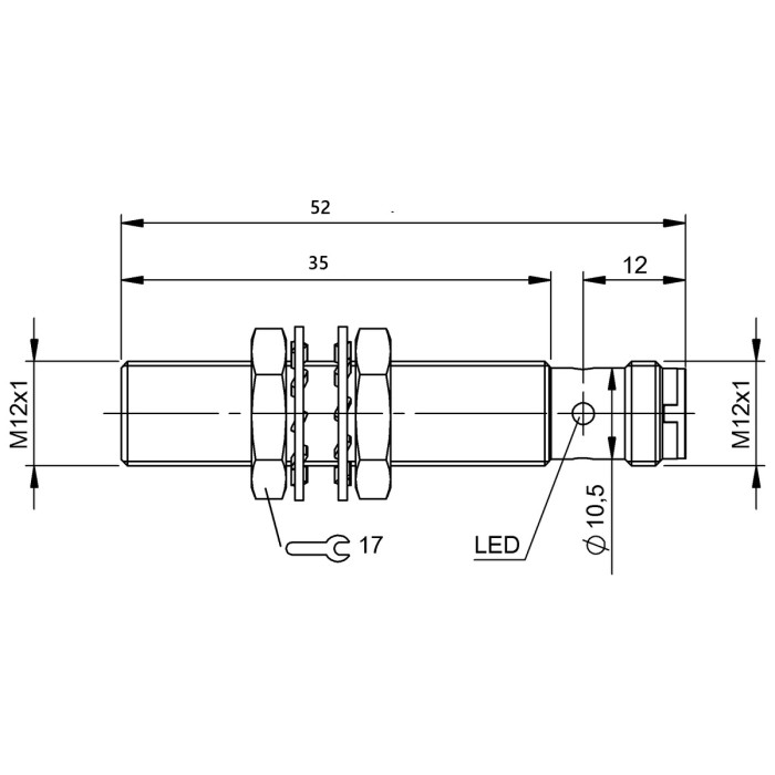
SL12-D04PLAT 12mm Düz Kafa 4mm Algılama PNP NO (M12 KONNEKTÖRLÜ)
- Ürün Kodu: SL12-D04PLAT
- Stok Durumu: Stokta var
-
$9,40
Sensor Tipi: Endüktif, Düz Kafa
Sensor Çapı: 12mm
Gövde şekli: Silindirik, Metal,
Algılama Mesafesi: 4mm
Çalışma Voltajı: 10-30V DC
Çıkış: NPN NO
2metre Kablolu 3 Uçlu kablolu
Gövde Boyu: 52mm
Endüktif yakınlık sensörleri
Endüktif yakınlık sensörü, metalik veya galvanik bir nesnenin yaklaşımına temassız, yani doğrudan temassız tepki veren bir sensördür.
Avantajlar:
- Mekanik aşınma yok, bu da daha uzun hizmet ömrü anlamına geliyor
- Kirli veya kaynaklı kontaklar nedeniyle kesinti olmaz
- kontaklarda sıçrama olmaz ve bu nedenle anahtarlama hatası olmaz
- Yüksek anahtarlama frekansları
- tamamen kapsüllenmiş muhafaza sayesinde yüksek koruma derecesi
- Herhangi bir montaj konumu
| Teknik Özellikler | |
| Algılama Mesafesi | 4mm |
| Bağlantı Şekli | M12 4-Pin Konnektörlü |
| Besleme Gerilimi | 10-30VDC |
| Çıkış | PNP/NO |
| Kafa tipi | Düz |
| Marka | Seli |
| SipariÅŸ Kodu | SL12-D04PLAT |
| Tip | Endüktif Sensör |




